
Fragranite Sink 花岗岩水槽
KNG 110-52 Kubus 2 库博斯 2
产品选购和安装流程

产品颜色

产品描述
黄金盆胆圆角R10, 既美观又易清洁;
中层设计,与配件配合,开发更多的使用空间,使用更方便;
Fragranite 材质坚硬,具有极强的防刮花和污渍能力;
可抵抗高达 280℃ 高温冲击,可直接清洁热锅;
具有抑菌特性的原材料,辅以先进的生产工艺,表面纹理细腻,易清洁更卫生;
宽大槽体设计,拥有更大的使用空间;
方形不锈钢下水器盖子,与水槽融为一体,优雅美观。
产品参数
产地 | 斯洛伐克 |
材质 | 花岗岩 |
安装方式 | 台下 |
水槽尺寸 | 560 x 460 x 200 mm(L x W x D) |
盆胆尺寸 | 520 x 420 x 200 mm(L x W x D) |
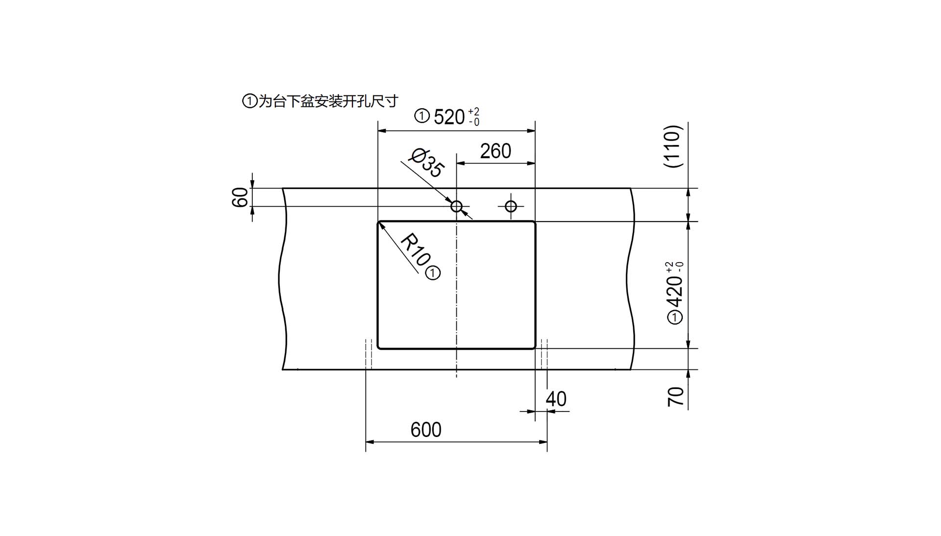
开孔尺寸 | 520 × 420 mm, R10 mm(L x W) |
水槽配件 | 1 2,All In 水槽配件系统 |
产品配件(可购)




产品售后服务说明



花岗岩水槽
KNG 110-52(斯洛伐克)
2021 - 05 - 30
扫描二维码分享到微信