
Stainless Steel Tap 不锈钢龙头
CT1310S Atlas Neo 阿特拉斯
产品选购和安装流程

表面处理

产品描述
精选 304 不锈钢原材料,健康卫生;
圆形抛光纹,做工更考究,彰显细节;
方形设计把手,外观优雅,小倒角使用舒适;
无铅水路设计,呵护健康;
精密陶瓷阀芯,控水精度高,手感极佳;
抽拉花洒带万向结构,更大使用角度。
产品参数
产地 | 中国 |
类型 | 单柄冷热水可旋转抽拉龙头 |
本体材料 | 不锈钢 |
表面处理 | 拉丝 |
起泡器 | 纽珀起泡器 |
阀芯材料 | 陶瓷 |
进水软管材料 | 不锈钢软管 |
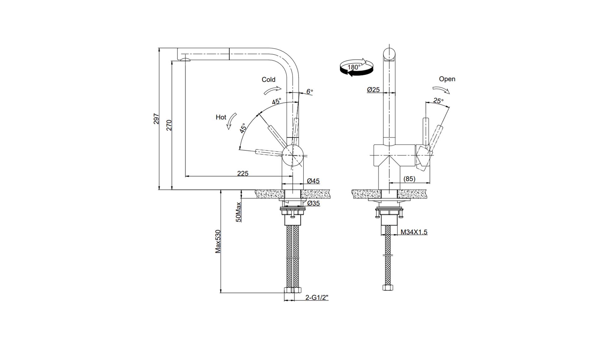
出水管长度 | 225mm |
出水管高度(龙头底座到出水口高度) | 270mm |
龙头高度(龙头底座到龙头顶部高度) | 297mm |
龙头底座尺寸 | Ø 45mm |



产品售后服务说明



不锈钢龙头
CT1310S(中国)
2025 - 07 - 15
扫描二维码分享到微信